Controlling a stepper motor using Arduino Modbus

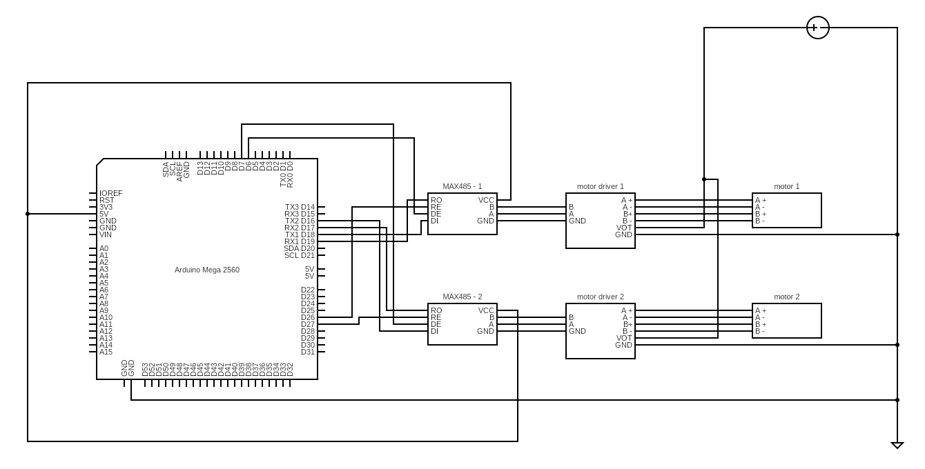
Hi! I am completely new to this field and wanted advice on my setup. I have a motor controller with an RS-485 Interface that I’m hoping to connect to an Arduino Mega to control the speed of the motor using Modbus. Also, I am currently using a MAX485 module in between the Mega and the driver. I attached my circuit below, but I am not too sure if it’s correct. If anyone can check it out and let me know that would be great! Even after attaching the power supply I have not received any response and I am not sure how to troubleshoot the issue.

Motor controller: Motor Controller UMC1BDS32 15A, 12-48V w/ CAN Fd & RS485 - RobotShop
Motor: McMaster-Carr

1 Like

Hi @Mj2iu3wrdj ,

Did you check your Modbus settings on both sides?

This is the most common issue. The Arduino (acting as the Modbus Master) and the Motor Controller (Modbus Slave) must agree on the communication parameters.

  • Baud Rate: Must be identical (e.g., 9600, 19200, etc.). Check your motor controller’s manual for its default or configured rate.
  • Data Format: Must be identical (e.g., 8 data bits, No parity, 1 stop bit $\to$ 8N1).
  • Slave ID: The Modbus request you send from the Arduino must target the correct Slave ID (address) of the motor controller (e.g., 1, 2, etc.).

Also, RS-485 buses require termination resistors (120 ohms) at both ends of the bus line (i.e., near the master/Arduino and near the slave/motor controller).